Manifold 73
| 73 |
DN: max 5 Ausblasventil DN8 |
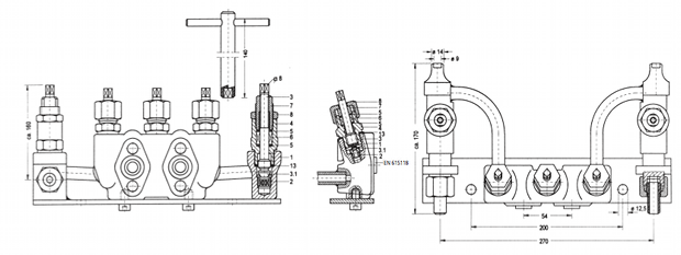
To this 5 valve manifold a transmitter will be directly flanged. The manifold has two block valves (+ and - lines), 2 blow out valves and an equaliser valve. For use in power plants. |
parts list for manifold
| part no. | designation | material | ||
|---|---|---|---|---|
| 1 | 2 | 3 | ||
| 1 | body | A105 | 316Ti | A182-F11;F12 |
| 2 | seat interchangeable | 430F | 316Ti | |
| 3 | spindle roll sealed | 430F | 316Ti | |
| 3.1 | cone, rolled into, movable | SS | 316Ti | |
| 4 | screwed bonnet housing | 1035 | 316Ti | |
| 5 | scraper ring | Novapress | ||
| 6 | packing | graphite1) | ||
| 7 | gland | 1213 | 316Ti | |
| 8 | union nut | 1213 | 316Ti | 303 |
| 13 | seal | mild steel | 316Ti | mild steel |
1) On request: ptfe
parts list for blow out shut-off valves
| Teil Nr. | Bezeichnung | Werkstoffe | ||||
|---|---|---|---|---|---|---|
| 1 | 2 | 3 | 5 | 7 | ||
| 1 | body, forged | A105 | 316Ti | A182-F11;F12 | A182-F1 | A182-F22 |
| 2 | seat interchangeable | 430F | 316Ti | |||
| 3 | spindle roll sealed | 430F | 316Ti | |||
| 3.1 | cone, rolled into, movable | SS | 316Ti | |||
| 4 | screwed bonnet housing | 1035 | 316Ti | |||
| 5 | scraper ring | Novapress | ||||
| 6 | packing | graphite1) | ||||
| 7 | gland | 1213 | 316Ti | 316Ti | ||
| 8 | union nut | 1213 | 316Ti | 303 | ||
| 13 | seal | mild steel | 316Ti | mild steel | ||
1) On request: ptfe

![]() |
7/16 UNFx2 ¼" oder M 10x55 or M 12x55 nach DIN 931 |
seals PN 1-100:PTFE PN101-400: Viton® ![]() |
|
|
4 screws 7/16“ UNFx2 ¼“ steel zinc-coated and 2 gaskets belong to the manifold |
|
![]() |
Order Number
| V | 73 | FL | |||||
| type | order number | manifold mat. code | valve mat. code | inlet-code | instrument outlet-code | blow-out code | special characters code |
| V=manifold |
1 Mat.: carbon steel A105 2 Mat.: stainless steel 316Ti 3 Mat.: heat resistant steel A182-F 11; F 12 5 Mat.: heat resistant steel A182-F 1 7 Mat.: heat resistant steel A182-F 22 other materials on request All materials can be delivered with certificate DIN EN 10204 - 3.1. |
** | ** |
|
|||



