Manifold 35
| 35 | DN: max 5 (8) PN max. 420 (6000psi) T max 250°C |
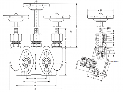
This 3 valve manifold is designed for direct mounting to a transmitter. It has two block valves (+ and - lines) and an equaliser valve. |
| s. also Barstockblock Körpernummer 37. |
parts list
| part no. | designation | material | |
|---|---|---|---|
| 1 | 2 | ||
| 1 | body | A105 | 316Ti |
| 2 | seat interchangeable | 430F | 316Ti |
| 3 | spindle roll sealed | 430F | 316Ti |
| 3.1 | cone, rolled into, movable | SS | 316Ti |
| 4 | screwed bonnet housing | 1035 | 316Ti |
| 5 | scraper ring | Novapress | |
| 6 | packing | graphite1) | PTFE2) |
| 7 | gland | 1213 | 316Ti |
| 8 | union nut | 1213 | 316Ti |
| 9 | handwheel | moulded plastic3) | |
| 10 | nut | galvanized steel | SS |
| 13 | seal | mild steel | 316Ti |
1) On request: ptfe-packing; max 200°C for all fittings or
2) free of oil and grease: oxygen packing max. PN 250
3) On request: steel sheet or tommy bar.
![]() |
Diese Darstellung zeigt beispiels- weise den Ventilblock mit Ein- gangs-, Ausgangs- und Testan- schluß mit Innengewinde
1/2” NPT. Optional sind Laschen, Befesti- gungsgewinde und die Verschluß- schraube. (Andere Anschlüsse und Erklärun- gen s. Seite V25)
scale
This picture shows e.g. the manifold with inlet-connection cutting-ring for 12mm tube. The outlet is flangeable EN 61518. Optional there are fastening female thread and T-bar key.
Order no. for this example: V35?SV12FL
|
![]() |
![]() |
7/16 UNFx2" oder M 10x50 oder M 12x50 nach DIN 931 |
seals PN 1-100:PTFE PN101-400: Viton® ![]() |
|
|
4 screws 7/16“ UNF x2 1/4“ steelzinc-coated and 2 gaskets belong to the manifold |
|
![]() |
order number
| V | 35 | FL | |||
| type | body number | material code | inlet-code | outlet-code | special characters code |
| V=manifold |
1 Mat.: carbon steel A105 2 Mat.: stainless steel 316Ti |
A external spindle thread F bellow G bar (instead of handwheel) H handwheel of steel sheet PT german TA-Luft S T-bar key |





