Manifolds
| 39 |
DN: max 5 |
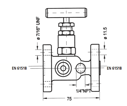
This 3-valve manifold is designed for direct mounting to a transmitter. It has two block valves (+ and - lines) and an equaliser valve. Also there are two vent screws. |
parts list
| part no. | designation | material | |
|---|---|---|---|
| 2 | |||
| 1 | body | 316L | |
| 3 | spindle | 316Ti | |
| 3.1 | non rotating plug | 316Ti | |
| 4 | bonnet | 316Ti | |
| 5 | scraper ring | Novapress | |
| 6 | packing | PTFE 200°C 1)2) |
|
| 7 | gland | 316Ti | |
| 8 | lock-nut | 316Ti | |
| 9 | T-bar | 316Ti | |
| 10 | screw | SS | |
| 13 | seal | 316Ti | |
1) On request: graphite; max 550°C for all fittings or
2) free of oil and grease: oxygen packing max. PN 250


|
![]() |
Order Number
| V | 37 | 2 | FL | FL | E |
| type | body number | material code | inlet-code | outlet-code | special characters code |
|
2 Mat.: 1.4404 stainless steel 316L All materials can be delivered with certificate DIN EN 10204 - 3.1 |
F bellow E venting PT german TA-Luft |
