Connections for gauge valves
GM / MM
|
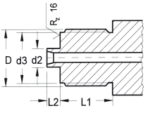
Parallel male thread DIN ISO 228/1 with zentring DIN EN837 (DIN 16288) |
![]() |
| D | d2 | d3 | L1 | L2 | Code | M0 | M1 | M2 | A3 | A7 | A11 | E5 | S15E |
|---|---|---|---|---|---|---|---|---|---|---|---|---|---|
| G 1/8 B | - | 8 | 10 | 2 | GM 18 |
|
|
|
|
|
|
|
|
| G 1/4 B |
5,(4) |
9,5 | 13 | 2 | GM 14 |
|
|
|
|
|
|
|
|
| G 3/8 B | 5,5 | 13 | 16 | 3 | GM 38 |
|
|
|
|
|
|
|
|
| G 1/2 B | 6 | 17,5 | 20 | 3 | GM 12 |
|
|
|
|
|
|
|
|
| M20x1,5 | 6 | 17,5 | 20 | 3 | MM 20 |
|
|
|
|
|
|
|
|
SP
|
Adjusting nut (connection-thread left handed with adjusting nut) Parallel male thread DIN ISO 228/1 G-(M-)left hand with boring and adjusting nut DIN 16283 for adjustable mounting of pressure gauges. |
![]() |
| D | L | d | I | Code | M0 | M1 | M2 | A3 | A7 | A11 | E5 | S15E |
|---|---|---|---|---|---|---|---|---|---|---|---|---|
| G 1/4" | 23 | 5,5 | 3,5 | SP 14 |
|
|
|
|
|
|
|
|
| G 1/2" |
36 |
7 | 5,5 | SP 12 |
|
|
|
|
|
|
|
|
| M20x1,5 | 36 | 7 | 5,5 | SP 20 |
|
|
|
|
|
|
|
LG / LM
|
Union nut Welded nipple with union nut for adjustable connection of a gauge Nipple-connection according to DIN EN 837 (DIN 16284) |
![]() |
| D | L | d | I | Code | M0 | M1 | M2 | A3 | A7 | A11 | E5 | S15E |
|---|---|---|---|---|---|---|---|---|---|---|---|---|
| G 1/8" | 18 | 4 | 3 | LG 18 |
|
|
|
|
|
|
|
|
| G 1/4" | 22 | 5,5 | 3,5 | LG 14 |
|
|
|
|
|
|
|
|
| G 3/8" | 25 | 6 | 4 | LG 38 |
|
|
|
|
|
|
|
|
| G 1/2"* |
30 |
7 | 5,5 | LG 12 |
|
|
|
|
|
|
|
|
| M20x1,5* | 30 | 7 | 5,5 | LM 20 |
|
|
|
|
|
|
|
--> Other dimensions on request
|
*G1/2“ and M20x1,5 with shaft for mounting in a holder DIN 16281 (not for A3) *on request without this shaft |
![]() |
![]() |
Gauge valve connections according to DIN EN 837.
Other proof-connections on request.




