Zubehör
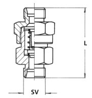
Rückschlagventile
 |
| Werkstoff |
Anschluss |
PN |
Länge L |
Bestell-Nr. |
| 1.4571
Dichtung Viton; Öffnungsdruck 1 bar; -20°C bis +200°C
beidseitige Schneidring-verschraubung
|
SV6L |
250 |
60 |
RV2SVSV6L |
| SV8L |
250 |
60 |
RV2SVSV8L |
| SV10L |
250 |
70 |
RV2SVSV10L |
| SV12L |
250 |
70 |
RV2SVSV12L |
| SV15L |
250 |
75 |
RV2SVSV15L |
| SV6S |
400 |
65 |
RV2SVSV6 |
| SV8S |
400 |
65 |
RV2SVSV8 |
| SV10S |
400 |
70 |
RV2SVSV10 |
| SV12S |
400 |
75 |
RV2SVSV12 |
| SV14 |
400 |
80 |
RV2SVSV14 |
|
Andere Ausführungen auf Anfrage
Adapter
|
Anschlüsse in allen Kombinationsmöglickeiten
|
 |
|
Mehr als 10.000 Möglickeiten
|
Werkstoff: Stahl/Edelstahl und Sonderwerkstoffe
|
Beispiele
 |
|
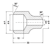
A) Adapter |
| Anschluß E |
Anschluß A |
L |
SW |
Werkstoff |
Bestellnummer |
| G1/2" außen mit Manozäpfchen |
1/2-14 NPT außen |
55 |
22 |
Stahl |
AD1GM12NA12 |
| 1.4571 |
AD2GM12NA12 |
|
 |
|
B) Adapter |
| Anschluß E |
Anschluß A |
L |
SW |
Werkstoff |
Bestellnummer |
| 1/2-14 NPT außen |
1/2-14 NPT außen |
50 |
22 |
Stahl |
AD1NA12NA12 |
| 1.4571 |
AD2NA12NA12 |
|
 |
| C) Adapter |
| Anschluß E |
Anschluß A |
L |
SW |
Werkstoff |
Bestellnummer |
| G1/2" außen mit Manozäpfchen |
1/2-14 NPT innen |
50 |
27 |
Stahl |
AD1GM12NI12 |
| 1.4571 |
AD2GM12NI12 |
|
Schweißbare Adapter
Schweißbare Adapter aus Stahl und Edelstahl
 |
| Aufschweißmuffen |
| Anschlußbeispiele |
D |
L |
l |
Werkstoff*2 |
Bestellnummer |
| Anschluß E |
Anschluß A |
|
Schweißende
24
|
Innengewinde
G3/8“ nach DIN-ISO 228-1
|
24 |
50 |
20
|
Stahl |
AD1GI38SZ24 |
| Edelstahl |
AD2GI38SZ24 |
| 30 |
G1/2“ nach DIN-ISO 228-1 |
30 |
50 |
20 |
Stahl |
AD1GI12SZ30 |
| Edelstahl |
AD2GI12SZ30 |
|
Andere Ausführungen auf Anfrage
Beispiele
 |
| Schweißbare Adapter |
| A |
a |
B |
b |
Werkstoff |
Bestell-Nr. |
| 21,3 |
3,2 |
12 |
2 |
1.0460 |
AD1SZ2132SZ1220 |
|
Wählen Sie Ihre Maße
|
1.4571 |
AD2... |
| 1.7335 |
AD3... |
| 1.5415 |
AD5... |
| 1.7380 |
AD7... |
|
< 2mm Wandstärke werden die Schweißenden auf Wunsch mit Fase ausgeführt
Weitere Werkstoffe auf Anfrage
Schweißmischnähte
Prüfnorm
AD 2000-Merkblatt HP 2/1, DIN EN 13445-4, DIN EN ISO 15614-1
 |
Werkstoff 1
|
Werkstoff 2
|
| 1.0460 |
1.0460 |
| |
1.4571
|
| |
1.4404
|
| |
1.5415
|
| |
1.7335
|
| |
1.7380
|
| |
|
1.4571
|
1.0460 |
| |
1.4571 |
| |
1.4404 |
| |
1.4903
|
| |
1.5415 |
| |
1.7335 |
| |
1.7380 |
| |
|
1.5415/1.7335/1.7380
|
1.0460 |
| |
1.4571 |
| |
1.4404 |
| |
1.5415 |
| |
1.7335 |
| |
1.7380 |
| |
|
| 1.4903 |
1.4571
|
| |
1.4903
|
| |
1.4952
|
|
Schweißbare Adapter
Schweißbare Adapter aus Stahl und Edelstahl
 |
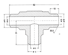
| T-Stück DIN 19210 |
| Anschlüsse Beispiel |
Werkstoff |
Bestell-Nr. |
| A |
a |
B |
b |
C |
c |
|
|
| 12 |
8 |
12 |
8 |
12 |
8 |
1.4571 |
T32SZ1220SZ1220SZ1220 |
|
Wählen Sie Ihre Anschlüsse
Weitere Werkstoffe: 1.0460; 1.4571; 1.5415; 1.7335; 1.7380; Abmessungen abweichend von der DIN möglich
Andere Werkstoffe auf Anfrage
 |
| Anschlußzapfen nach DIN 16282 |
| Anschluß Beispiele |
Werkstoff*2 |
DIN-Bezeichnung |
Bestellnummer |
| Gewinde G1/2“ links (für Spannmuffe) |
Stahl |
DIN 16282-6-10St |
AD162821G12I |
| Edelstahl |
DIN 16282-6-20St |
AD162822G12I |
| 1.7335 |
|
AD162823G12I |
| Gewinde G1/2“ rechts (für Spannmuffe) mit Zentrierzäpfchen |
Stahl |
DIN 16282-4-10St*3 |
AD162821GM12 |
| Edelstahl |
DIN 16282-4-20St*3 |
AD162822GM12 |
| 1.7335 |
|
AD162823GM12 |
|
Andere Ausführungen auf Anfrage
*3 in der DIN Ausgabe ‘95 entfallen
 |
| Schweißkugelbuchse PN 400 |
Rohr O D |
Wanddicke S |
Werkstoff*2 |
Bestell-Nr. |
|
Schweißkugelbuchse passend in Anschlüssenach
DIN 3861 Form W (metallisch dichtend).
Die Überwurfmuttern entsprechen den Standard-Schneidring
Muttern A nach DIN 3870 2
|
6
|
1,5
|
Stahl |
SKM1-615 |
| Edelstahl |
SKM2-615 |
|
8
|
2
|
Stahl |
SKM1-82 |
| Edelstahl |
SKM2-82 |
|
10
|
2
|
Stahl |
SKM1-102 |
| Edelstahl |
SKM2-102 |
|
12
|
2,5
|
Stahl |
SKM1-1225 |
| Edelstahl |
SKM2-1225 |
|
14
|
3
|
Stahl |
SKM1-143 |
| Edelstahl |
SKM2-14 |
|
16
|
3
|
Stahl |
SKM1-163 |
| Edelstahl |
SKM2-163 |
Andere Ausführungen auf Anfrage
|
*2
| Werkstoff Anschlußzapfen |
Zulässiger Betriebsüberdruck
bar
|
Zulaässige Betriebstemperatur
°C
|
| Stahl |
Schweißbarer Stahl
Rp>=0,2 220 N/mm2
|
100
|
400
|
| Edelstahl |
Nichtrostender Stahl nach DIN 17440
Rp>=0,2 220 N/mm2
|
Verschraubungen
Schneidringverschraubungen / Klemmringverschraubungen
Beispiele
 |
| Anschluss
E |
Anschluss
A |
L |
SW |
Werkstoff |
Bestell-Nr. |
G 1/2" außen DIN EN 837-1 (DIN 16288)
mit Manozäpfchen |
Schneidring-verschraubung
für 12mm Rohr Reihe S
mit Mutter und Schneidring |
55 |
22 |
Stahl |
AD1GM12SV12 |
| 1.4571 |
AD2GM12SV12 |
|
Andere Ausführungen auf Anfrage
Einstellbares Anschlußstück für Druckmeßgerät
 |
| Anschluss |
L |
SW |
Werkstoff |
Bestell-Nr. |
| E |
A |
| G1/2" DIN 3852-2 Form A |
G1/2" |
70 |
27 |
Stahl |
AD1GB12LG12 |
| Edelstahl |
AD2GB12LG12 |
| 1/2-14 NPT |
G1/2" |
70 |
22 |
Stahl |
AD1NA12LG12 |
| Edelstahl |
AD2NA12LG12 |
|
Andere Ausführungen auf Anfrage
Einstellbarer Adapter (swivel adapter)
 |
| Anschluß E |
Anschluß A |
L |
SW “A“/“B“ |
Werkstoff |
Bestell-Nr. |
| 1/2-14 NPT |
1/2-14 NPT |
80 |
32 / 27 |
1.4571 |
AD2NA12NI12-just |
|
Andere Ausführungen auf Anfrage
 |
| Entlüftungsverschraubung |
| D |
L |
SW |
Wst. |
Bestell-Nr. |
|
G3/8“- DIN / ISO 228
|
22
|
17
|
Stahl
Edelstahl
|
ENTL 1 GA38
ENTL 2 GA38
|
|
1/4-18 NPT
|
27
|
19
|
Stahl
Edelstahl
|
ENTL 1 NA14
ENTL 2 NA14
|
|
1/2-14 NPT
|
32
|
22
|
Stahl
Edelstahl
|
ENTL 1 NA12
ENTL 2 NA12
|
|